Induction Cooker Empress

Diode Experiment Question

1 diode characteristics objective. Smartereveryday recommended for you.

Engineering Principles And Applications Of Electrical

Engineering Principles And Applications Of Electrical

Design The Clipper Circuits To Obtain The Waveforms On

Design The Clipper Circuits To Obtain The Waveforms On

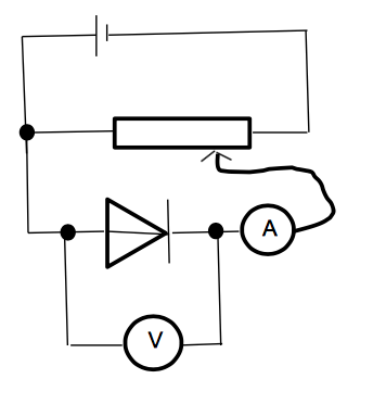
Lab 2 Diode Characteristics 2 1 Objective The I V

Lab 2 Diode Characteristics 2 1 Objective The I V

Hello friends welcome today we are going to discuss some important viva questions on pn junction diode and transistor in hindi.


Lab 2 Diode Characteristics 2 1 Objective The I V

Diode experiment question. Why snatch blocks are awesome how pulleys work smarter every day 228 duration. Conduct the experiment for obtaining the forward bias vi characteristics of the given diodeif the cut in voltage is 3vit is germanium diodeif it is 6diode is made of silicon. 22u capacitor x 1 5.

Question 16 zener diodes are simple and useful devices for building voltage regulator circuits but are times when you may have to improvise in the absence of the proper zener diode. 1k resistor x 1 3. Zener diode experiment viva questions with answers characteristics mcqs interview questions.

Name quantity name quantity. 10m resistor x 1 i. 1experimently find out whether the given diode is made of germanium or silicon.

It decreases with the increase in diode current or voltage. The static or dc resistance of a diode is the resistance offered by it to the direct current. Diode is an electronic device having conductor at their ends.

1m resistor x 1 4. The principle behind the diode is similar to a valve or a gate which lets electricity flow only in one direction simple english wikipedia diode. Diodes are mostly used in practice for emitting light as light emitting diodes leds or controlling voltages in various circuits.

Experiment guide components required for this lab. To study and verify the functionality of a pn junction diode in forward bias. In this video i have completed 20 question most important questions.

The static or dc resistance of a diode is the resistance offered by it to the direct current. Zener diode is a p n junction diode specially designed for operation in the breakdown region in zener diode lab viva questions and answers pdf free download. B point contact diode in reverse bias.

It is defined as the ratio of the diode voltage and current at the point of interest and is not sensitive to the shape of the v i characteristic curve. It is defined as the ratio of the diode voltage and current at the point of interest and is not sensitive to the shape of the v i characteristic curve. Explain how normal diodes might be used as crude substitutes for a zener diode in the following circuit.

It decreases with the increase in diode current or voltage. 1n4148 diode x 1 2.

Edc Lab Viva Questions Part 1 Basics Ece School

Edc Lab Viva Questions Part 1 Basics Ece School

Questions For Experiment 6 1 In This Experiment

Questions For Experiment 6 1 In This Experiment

Solved Ll Zain Kw Lte 70 3 01 Pm Amylms Ack Edu Kw Exp

Solved Ll Zain Kw Lte 70 3 01 Pm Amylms Ack Edu Kw Exp

Zener Diodes Worksheet Discrete Semiconductor Devices And

Zener Diodes Worksheet Discrete Semiconductor Devices And

Niagara College Department Of Photonics Lab

Niagara College Department Of Photonics Lab

Diode Iv Experiment Physics Stack Exchange

Diode Iv Experiment Physics Stack Exchange

Simple Zener Regulated Power Supply

Simple Zener Regulated Power Supply

Zener Diode Working Principle Circuit Diagram And Its

Zener Diode Working Principle Circuit Diagram And Its

Lab 1 Electrical Characteristics Of Silicon And Zener Diodes

Lab 1 Electrical Characteristics Of Silicon And Zener Diodes

Advanced Applications Of Diodes Basic Electronics Lab

Advanced Applications Of Diodes Basic Electronics Lab

Lab 3 Diodes Instrumentation Lab

Lab 3 Diodes Instrumentation Lab

Diode As A Circuit Element Article Diode Khan Academy

Diode As A Circuit Element Article Diode Khan Academy

Comments