- Get link
- X
- Other Apps
The two terminals are not connected to anything an open circuit so no current can flow into or out of either terminal. The open circuit voltage corresponds to the amount of forward bias on the solar cell due to the bias of the solar cell junction with the light generated current.

Diodes Learn Sparkfun Com
Solved 6 Sketch The L V Curve For A Simple Piecewise Lin

What Is A Diode Electronics Basics The Geek Pub
If so the capacitors need to be discharged.

Diode open circuit voltage. Definition of open circuit voltage. Iv curve of a solar cell showing the open circuit voltage. 1 the concentration of holes in the anode is much greater than that of the cathode.
In the normal voltage conditions tvs diode appears as an open circuit but a small leakage current is present. The voltage dropped across a conducting forward biased diode is called the forward voltage. When voltage is applied across a diode in such a way that the diode prohibits current the diode is said to be reverse biased.
Forward voltage for a diode varies only slightly for changes in forward current and temperature. The voltage across a non conducting diode between the points in the circuits where it is connected is the same as what the voltage would be if we removed the diode. A voltage is a potential difference between two points that are at different places in an electric field.
The p n junction diode open circuit we create a p n junction diode simply by sticking together a hunk of p type silicon and a hunk of n type silicon. Make certain a all power to the circuit is off and b no voltage exists at the diode. The box is any two terminal device such as a battery or solar cell.
For normal diodes this breakdown voltage is around 50v to 100v or even more negative. The voltage v oc between the terminals is the open circuit voltage of the device. Turn the dial rotary switch to diode test mode.
When the normal voltage exceed to a certain level the tvs diode junction avalanches and as the result overvoltage is diverted from the protected circuit and shunted through the tvs diode. When a diode is on current is flowing without voltage. Voltage may be present in the circuit due to charged capacitors.
Some diodes are actually designed to operate in the breakdown region but for most normal diodes its not very healthy for them to be subjected to large negative voltages. Set the multimeter to measure ac or dc voltage as required. An open component is like a component which is not there.
Now lets think about what happens here. When the diode is off no current flows through making it an open circuit with negative voltage. Voltage represents the force of the current flowing through a diode.
It behaves like a short circuit. The open circuit voltage is shown on the iv curve below. This large negative voltage is called the breakdown voltage.

Solved Consider A Multiple Array Design With Bypass Diode

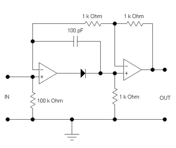
More Op Amp Circuits

How To Test Diodes Fluke

Problem On Diode Circuit Using Open Circuit Method
Solved Determine The Open Circuit Voltage Short Circuit
Virtual Labs Dayalbagh Educational Institute Agra Theory

Partsim

B Open Circuit Voltage Vs Input Power For The Metal

Open Circuit Voltage Pveducation

Solved A Voltage Source With An Open Circuit Voltage Of V

Bypass Diodes Pveducation

Analysis Of Circuits Containing Diodes Definition Of Diode
Comments
Post a Comment